Beschrijving
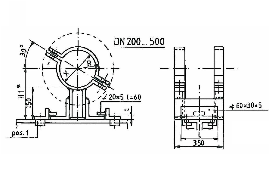
Pipe Support PSM010, beschikbaar in diverse diameters. Dit is een support voor een Geisoleerd (thermisch d ≤100mm) Pipe Support>RVS of Stalen leiding Het betreft een Stalen support met EPDM inlage. Het support is Radiaal begrensd – Geklemd Het model is een Schoensupport
Weergaven: 8





