Beschrijving
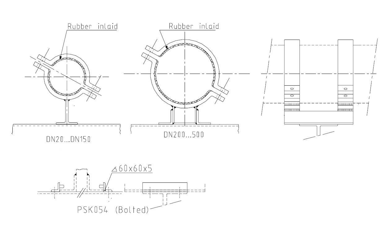
Pipe Support PSK054, beschikbaar in diverse diameters. Dit is een support voor een Ongeisoleerd Kunststofleiding (GRE) Het betreft een Stalen support met EPDM inlage. Het support is Radiaal begrensd – Gebout Het model is een Schoensupport
Weergaven: 1



