Beschrijving
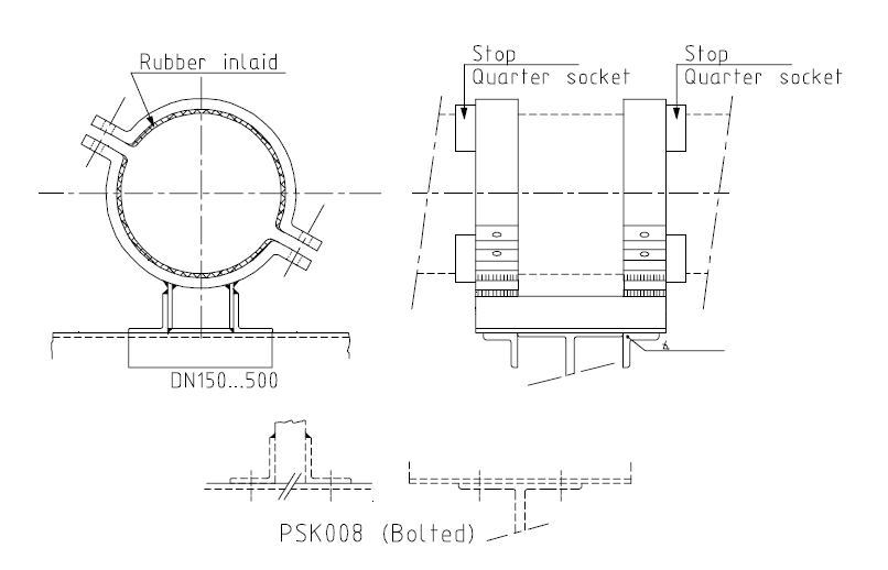
Pipe Support PSK008, gelast, beschikbaar in diverse diameters. Dit is een support voor een Ongeisoleerd Kunststofleiding (thermoplast) Het betreft een Stalen support met EPDM inlage. Het support is Gefixeerd – Gebout Het model is een Schoensupport
Weergaven: 4



