Beschrijving
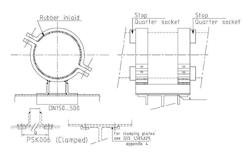
Pipe Support PSK006, geklemd, beschikbaar in diverse diameters. Dit is een support voor een Ongeisoleerd Kunststofleiding (thermoplast) Het betreft een Stalen support met EPDM inlage. Het support is Gefixeerd – Geklemd Het model is een Schoensupport
Weergaven: 4



